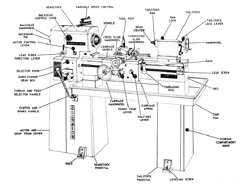
Parts Of The Lathe

The above drawing names the parts that you will likely find on a medium sized lathe. The lathe is an older machine by Clausing who are still in business in Kalamazoo, Michigan, USA. Smaller lathes in particular will not have every part as shown and some larger lathes may well have additional parts and functions. The table below explains what the various bits do and gives alternative names where applicable.

Parts Of The Milling Machine



The annotated images above depict the three basic types of milling machine. The small vertical bench mill is a Grizzly G0704 the diagram from their manual. The next down is a larger vertical mill styled after the Bridgeport by Jet Tools and lastly a Cincinnati horizontal milling machine. The various part names are common to all three types with minor variations in usage. The table below explains some of the parts.
